- CHANDOX CHUCKS
- AUTOSTRONG CHUCKS
- AUTOGRIP CHUCKS
- JATO CHUCKS
- TAIKI CHUCKS
- TONFOU CHUCKS
- Hydraulic Chucks
- Hydraulic Cylinders
- KITAGAWA CHUCKS
- HUANQIU CHUCKS
- JIANHUA CHUCKS
- China Chucks
PRODUCTS LIST
Home > Product Show
INTRODUCTION
|
||||||
|
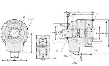
Symbol
|
Effective Piston Area (m2) | Piston stroke (mm) | Max. speed (r.p.m.) | Max. pressure (kgf/cm2) | Moment of inertia (kgf.m2) | Weight (kg) | Max oil leakge from drain port and niax internal oil leakage (lit/min) | |||
|
Model
|
Extend | Retract | ||||||||
| RCS | 6 | 100 | 89 | 15 | 8000 | 40 | 0.071 | 9 | 3 | |
| 8 | 148 | 138 | 22 | 6500 | 0.129 | 13 | 3.8 | |||
| 10 | 183 | 169 | 25 | 5500 | 0.251 | 18.7 | 4.1 | |||
| DIMENSIONS |
|
Symbol
|
C | D | E | F | G | H | J | K | M | N | P | S | T | U | V | W | Z | A | B | ||||
|
Model
|
max | min | max | min | |||||||||||||||||||
| RCS | 6 | 165 | 130 | 100 | 80 | 65 | M55x2.0 | 46 | 40 | 52.9 | 64 | 85 | 116 | 120 | 139.5 | 14 | -1 | 40 | 25 | 5 | 98 | 147 | |
| 8 | 185 | 170 | 130 | 85 | 70 | M60x2.0 | 52 | 40 | 59.6 | 73 | 96 | 135 | 130 | 150.5 | 21 | -1 | 42 | 20 | 5 | 110 | 165 | ||
| 10 | 215 | 190 | 160 | 120 | 95 | M85x2.0 | 75 | 46 | 84.6 | 98 | 121 | 163 | 160 | 169.5 | 24 | -1 | 50 | 25 | 5 | 155 | 195 | ||
|
Symbol
|
A1 | B1 | C1 | E1 | F1 | G1 | J1 | K1 | L1 | M1 | N1 | P1 | Q1 | R1 | S1 | T1 | W1 | X1 | Y | ||
|
Model
|
|||||||||||||||||||||
| RCS | 6 | 10.5 | 105 | 30 | M6x6 | M10x20 | 101.5 | 76 | 47 | 15 | 50 | 76 | 1.5 | M5x6 | 5 | PT 3/8 | 8 | M52x1.5 | 50 | 6-M8x75 | |
| 8 | 11.5 | 110.5 | 30 | M6x9 | M10x20 | 110.5 | 86 | 47 | 15 | 55 | 85 | 3 | M6x7 | 5 | PT 1/2 | 6 | M58x1.5 | 56 | 6-M8x80 | ||
| 10 | 17.5 | 125.5 | 35 | M6x10 | M10x20 | 126.5 | 101 | 47 | 15 | 80 | 108 | 3 | M6x7 | 7 | PT 1/2 | 6 | M84x2.0 | 81 | 6-M10x90 | ||








